[雙門冰箱 RT35CG~562CB1TW~ 的水平腳高度]
[最後更新日期 : 2024年12月11日]
    [為了提升服務滿意度,誠摯的邀請您在看完本則常見問答後,可以在文章下方給予我們滿意度鼓勵,以期日後提供更優質的服務,謝謝。]
[-找不到您需要的功能嗎?或是需要專業技術支援!請點擊視窗右下方客服圖像立即啟動 24 小時線上文字客服~]
[• 安裝時,冰箱必須平放在平坦的堅固地板上。若未將冰箱調平,可能導致冰箱損壞或人身受傷。]
[• 調平的操作必須在冰箱清空的狀態下進行。確定冰箱內沒有食品。]
[• 為安全起見,將前端調到稍微高於後端。要將冰箱調平,可使用特殊螺絲(校平器)於前支腳調整水平。使用平頭螺絲起子轉動校平器。]
		1
		[手動調整水平支腳調平冰箱。]
		
    
    
	
	
	
	
		
			
				
					
						
						
								
							
					
				
			
		
	
	
    
      
      
        
        
        
          ![]() 
        
      
    
    
    
    
    
	
[順時針旋轉水平支 腳以調低,或逆時針旋轉水平支腳以調高。]
[為安全起見,將前端調到稍微高於後端。]
 
        
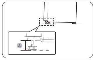
		2
		[如圖所示,使支腳與地面保持 41 公釐 (Á) 的距離。]
		
    
    
    
      
      
        
        
        
          ![]() 
        
      
    
    
    
    
    
	
 
        [• 安放冰箱的表面必須足以支撐滿載的冰箱或大約 90 公斤。]
[• 為保護地板,請在冰箱的每個支腳放置一大片硬紙板。]
[• 一旦冰箱最後確定位置,為保護地板,除非必須,請不要移動冰箱。如果必須移動,請沿著移動路徑使用厚紙或布料,例如老舊的地毯。]
[若有任何需要協助之處,您可以諮詢 24小時線上文字客服 / 客服信箱,我們的專業團隊將隨時為您提供服務。]
[謝謝您的意見與回饋]
[請回答所有問題。]